Horizontal Multistage Centrifugal Pump
Horizontal Multistage Centrifugal Pump

AHM-403T 3相横型多段遠心ポンプ

技術データ

定格電圧

380V

評価されたヘッド

28メートル

定格流量

4m³/h

最大揚程

33メートル

最大流量

9.5m³/h

断熱等級

F

設計圧力

10バール

振動

<2.8mm/秒

保護等級

IP54

頻度

50Hz

定格電流

1.48A

定格電力

550W

評価されたヘッド

28メートル

最大出力

850W

最大揚程

33メートル

最大単位効率

47%

断熱等級

F

ノイズ

<55dB(A)

  • アイテム番号:

    AHM-403T

給水とブースター

工業用循環システム

充電ステーションの液体冷却システム

蓄液冷却システム

家庭用給水システム

温水循環システムおよび空調システム

産業用循環システム

清掃および庭の散水灌漑システム

データセンター向け液冷システム

1. 材質 – ステンレス鋼

2. 多段インペラ、高揚程

3. 双方向メカニカルシール、メンテナンスが容易

4. コンパクトなブロックデザイン

5. ステージチャンバー、インペラ、ディフューザーなど、流体と接触するすべての油圧部品

労働条件

1. 電源:3~380V/50Hz

2. 最大システム圧力:≤1.0MPa

3. 絶縁クラス:F

4. 保護等級:IP54

5. 媒体温度(℃):0~110℃(清浄水)、-15~110℃(水+エチレン(≦50%)混合液) ;

6. 投与液:きれいな水;

7. このウォーターポンプは、飲料水、温水、工業用水、凝縮水、エタノールと水の混合物(エタノール含有量最大40%)、および鉱物油、長繊維、腐食性物質を含まないその他の液体の移送に適しています。

デザインノート

1. 三相交流モーターのモーター保護はオプション、または現場で提供される。

2. 内蔵型過熱保護装置とコンデンサを備えた単相交流モーター

製品認証

本製品は3C認証要件に準拠しています。

アプリケーションの中規模要件

中程度を使用する: きれいな水/水+エチレングリコール(50%以下)混合溶液

水温(中温): 0~110℃/-15℃~110℃

中程度のpH値 6.5~8.5

中程度の硬度: 25°dH

媒体中の固体不純物含有量: 固体不純物の直径および長さ方向は0.1mm以下、体積比は0.1%以下。

サービス環境要件

使用法: シャフトを水平に保つ

高度: 3000メートル

動作周囲温度: -25℃~55℃ パイプラインとウォーターポンプに凍結はありません

動作時の周囲湿度: ≤95%

保管環境の要件

保管時の周囲温度: -30℃~60℃(配管およびウォーターポンプ内で凍結は発生しない)

保管環境の湿度: ≤95%

工場検査

機械の締め付け検出

モーター絶縁検出

耐電圧検出

漏洩電流検出

接地抵抗検出

無負荷電力、電流検出

方向転換検知

信頼性テスト

油圧性能試験

振動試験

騒音テスト

水圧テスト

機械全体の電気安全試験

保護レベルテスト

塩水噴霧試験

熱衝撃試験

気温上昇

凝縮水テスト

ライフテスト

スタート・ストップテスト

高温多湿試験

設置および安全に関する指示

1. ポンプで送液される液体は、高温高圧の液体である可能性があります。ポンプを移動または分解する前に、システム内の液体を排出するか、ポンプの両側の遮断弁を閉じて、火傷を防いでください。

2. 冬季において、媒体がきれいな水である場合、ポンプシステムが稼働していない場合、または周囲温度が0℃を下回る場合は、ポンプ本体の凍結や破損を防ぐため、配管システム内の液体を排出する必要があります。

3. ポンプを長期間使用しない場合は、ポンプの吸込口と吐出口にある給水バルブを閉じ、ポンプの電源を切ってください。モーターが熱くなっている、または異常が見られる場合は、直ちにポンプの吸込口側のバルブを閉じ、ポンプの電源を切り、最寄りの販売店またはサービスセンターにご連絡ください。

4. 本製品は子供の手の届かない場所に設置してください。設置後は、子供が触れないように隔離措置を講じてください。

5. ウォーターポンプの設置方向は、ポンプの軸方向が水平になるようにします。

6. ウォーターポンプは、雨、水、露出などを防ぐ場所に設置する必要があります。

7. ウォーターポンプは硬い物体に直接衝突させてはいけません。

8. 機械シールの摩耗や損傷、さらには機械の焼損を防ぐため、水のない状態でウォーターポンプを運転することは禁止されています。

9. ポンプで送液する液体は、粘度が低く、清浄で、非腐食性、非爆発性の液体であり、繊維や鉱物油を含まず、固体粒子の直径と長さが 0.1mm 以下、体積比が 0.1% 以下です。ポンプは、植物油やガソリンなどの可燃性液体の移送には使用してはなりません。ポンプを高粘度の状況で使用すると、ポンプの性能が低下するため、ポンプを選定する際には、移送する液体媒体の粘度を考慮する必要があります。

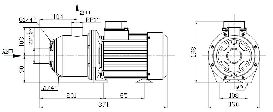
Installation dimension drawing

パフォーマンス曲線

この性能曲線は常温の水に適しています。非水媒体用のポンプの場合、ポンプの油圧性能は低下します。したがって、ポンプを選定する際には、液体媒体の特性を考慮する必要があります。

フローヘッド

circulation pump supplier

流量動力

erp frequency circulation pump

伝言を残す
当社の製品に興味があり、詳細を知りたい場合は、ここにメッセージを残してください。できるだけ早く返信させていただきます。
提出する

関連製品

pressure booster pump
AHM-1604T 3相横型多段遠心ポンプ

定格電圧 380V 評価されたヘッド 32メートル 定格流量 16m³/時 最大揚程 48メートル 最大流量 23m³/時 断熱等級 F 設計圧力 10バール 振動 < 2.8mm/秒 保護クラス IP54 頻度 50Hz 定格電流 4.52A 定格電力 2200W ノイズ < 63dB(A) 最大出力 3100W ​

pressure booster pump
AHM-1603T 3相水平多段遠心ポンプ

定格電圧 380V 評価されたヘッド 25メートル 定格流量 16m³/時 最大揚程 36メートル 最大流量 23m³/時 断熱等級 F 設計圧力 10バール 振動 < 2.8mm/秒 保護等級 IP54 頻度 50Hz 定格電流 4.01A 定格電力 1850W ノイズ < 63dB(A) 最大出力 2500W ​

Horizontal Multistage Centrifugal Pump
AHM-805T 3相横型多段遠心ポンプ

定格電圧 380V 評価されたヘッド 48メートル 定格流量 8m³/h 最大ヘッド 59メートル 最大流量 15m³/時 断熱等級 F 設計圧力 10バール 振動 < 2.8mm/秒 保護等級 IP54 頻度 50Hz 定格電流 4.01A 定格電力 1850W ノイズ < 62dB(A) 最大出力 2200W ​

 Horizontal Multistage Centrifugal Pump
AHM-804T 3相横型多段遠心ポンプ

定格電圧 380V 評価されたヘッド 38メートル 定格流量 8m³/h 最大揚程 48メートル 最大流量 15m³/時 断熱等級 F 設計圧力 10バール 振動 < 2.8mm/秒 保護等級 IP54 頻度 50Hz 定格電流 3.62A 定格電力 1500W ノイズ < 62dB(A) 最大出力 1900W ​

Horizontal Multistage Centrifugal Pump
AHM-803T 3相横型多段遠心ポンプ

定格電圧 220V 評価されたヘッド 28メートル 定格流量 8m³/h 最大揚程 35メートル 最大流量 15m³/時 断熱等級 F 設計圧力 10バール 振動 < 2.8mm/秒 保護クラス s IP54 頻度 50Hz 定格電流 6.55A 定格電力 1100W ノイズ < 62dB(A) 最大出力 1400W ​

Horizontal Multistage Cenrifugal Pump
AHM-405T 3相横型多段遠心ポンプ

定格電圧 380V 評価されたヘッド 46メートル 定格流量 4m³/h 最大揚程 57メートル 最大流量 9.5m³/h 断熱等級 F 設計圧力 10バール 振動 < 2.8mm/秒 保護クラス s IP54 定格電力 1100W ノイズ < 60dB(A) 最大出力 1500W ​

Horizontal Multistage Centrifugal Pump
AHM-404T 3相横型多段遠心ポンプ

定格電圧 380V 評価されたヘッド 35メートル 定格流量 4m³/h 最大揚程 42メートル 最大流量 9.5m³/h 断熱等級 F 設計圧力 10バール 振動 <2.8mm/秒 保護クラス IP54 頻度 50Hz 定格電流 1.78A 定格電力 750W ノイズ <60dB(A) 最大出力 1050W ​

Horizontal Multistage Centrifugal Pump
AHM-203T 3相横型多段遠心ポンプ

定格電圧 380V 評価されたヘッド 28メートル 定格流量 2m³/時 最大ヘッド 33メートル 最大流量 6m³/h 断熱等級 F 設計圧力 10バール 振動 < 2.8mm/秒 保護等級 IP54 頻度 50Hz 定格電流 1.48A 定格電力 550W ノイズ < 62dB ( A ) 最大出力 650W ​

IE5 Horizontal Single Stage Pump
EPA50-45ZAX IE5 横型単段ポンプ

電圧 AC 380V 最大流量 60m³/時 マックス・ヘッド 42メートル C コミュニケーション PWM 力 6000W IPクラス IP67 コネクタ チャック ​

hot water circulator pump With Flange Connection
ベーシック 80-10SF Pro 3 スピード大流量循環ポンプ

モデル  ベーシック 80-10SF プロ 力  1300W 最大流量  35m3/h 最大ヘッド  10メートル 電圧・周波数  380V /50HZ ポンプハウジング  鋳鉄 汲み上げられた液体  水 絶縁クラス  H 保護の程度  IP44 液温範囲  2~110℃ 最大システム圧力  1.0Mpa   ​

Three Speed Circulator Pump
ベーシック 15-12S サーキュレーター ポンプ

モデル  ベーシック 15-12S 力  270/240/160W 最大流量  3.5m3/h 最大ヘッド  12m 現在  1.2/1.1/0.75A 電圧/周波数  115/230V 50/60HZ ポンプハウジング  鋳鉄 汲み上げられた液体  水 絶縁クラス  H 保護の程度  IP44 液温範囲  2~110℃ 最大システム圧力  1.0Mpa ​

High Efficiency Circulator Pump Supplier
Mega 32-8 自動循環ポンプ

電源電圧 220-240V 50/60Hz、PE モーター保護 外部保護は必要ありません IPクラス IP44 絶縁クラス H (RH )湿度 最大。95% システム圧力 1.0MPa コンプライアンス CE/GS/EMC/LVD/RoHS/REACH 環境温度 0 ~+40 ℃ 温度クラス TF110 液温 -30~+110℃ (グリコール50%まで) 電圧・周波数 230V/50HZ ポンプハウジング 鋳鉄/ステンレス鋼 エネルギー(EEI) ≤0.23-パート2 ​

助けが必要ですか?

伝言を残す
当社の製品に興味があり、詳細を知りたい場合は、ここにメッセージを残してください。できるだけ早く返信させていただきます。
提出する
探している 名誉 ?
お問い合わせ #
+86 0551 62379807

営業時間

11/21 月 - 11/23 水: 午前 9 時 - 午後 8 時
木 11/24: 休業 - 感謝祭おめでとうございます!
11/25 金曜日: 午前 8 時 - 午後 10 時
土曜日 11/26 〜 11/27 日曜日: 午前 10 時〜午後 9 時
(時間はすべて東部時間)

製品

接触